Kalor Automatik 48 - kotel na pelety, biomasu
Kód: AUTOMATIK48-KASouvisející produkty
Detailní popis produktu
Standardní dodání peletových kotlů Kalor do 10 dnů.
Moderní technologie Kalor
Automatický kotel Kalor Automatik je špičkou mezi zdroji tepla na spalování dřevěných pelet a biomasy.
Přednosti kotle na pelety a biomasu Kalor Automatik 48:
- patentovaným hořákem s automatickým proroštováním
- automatickým čištěním stěn výměníku od nánosu prachových částic
- vyhodnocuje proces spalování s nejvyšší efektivitou
- kontrola bezpečného provozu kotle
Možnosti ovládání peletového kotle:
- pomocí ekvitermní regulace v závislosti na aktuální venkovní teplotě, prostorovým termostatem,
- WiFi internetovým ovladačem,
- GSM modulem
- mobilním telefonem s aplikací pro Android, iOS.
Uživatel pohodlně vše kontroluje na barevném dotykovém displeji. Menu a veškeré informace jsou v českém jazyce.
Kalor Automatik automatický kotel na pelety a biomasu – primární zdroj tepla
Automatický kotel na pelety a biomasu Kalor Automatik je určen pro vytápění rodinných domů, bytových domů, komerčních a industriálních ploch.
Maximální úspora nákladů na vytápění s plným komfortem.
Možnost připojení externího sezónního zásobníku paliva neomezuje uživatele na čase, který je nutný k doplňování interního zásobníku peletového kotle. Pro vytápění větších objektů je to ideální řešení, které umožňuje nákup paliva na celou topnou sezónu za výhodnější cenu. Cisterna Vám dopraví pelety či agropalivo přímo do zásobníku sila, odkud je vzduchem doplňuje podavač do interního zásobníku peletového kotle. Přikládání je minulostí.
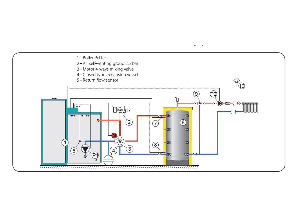
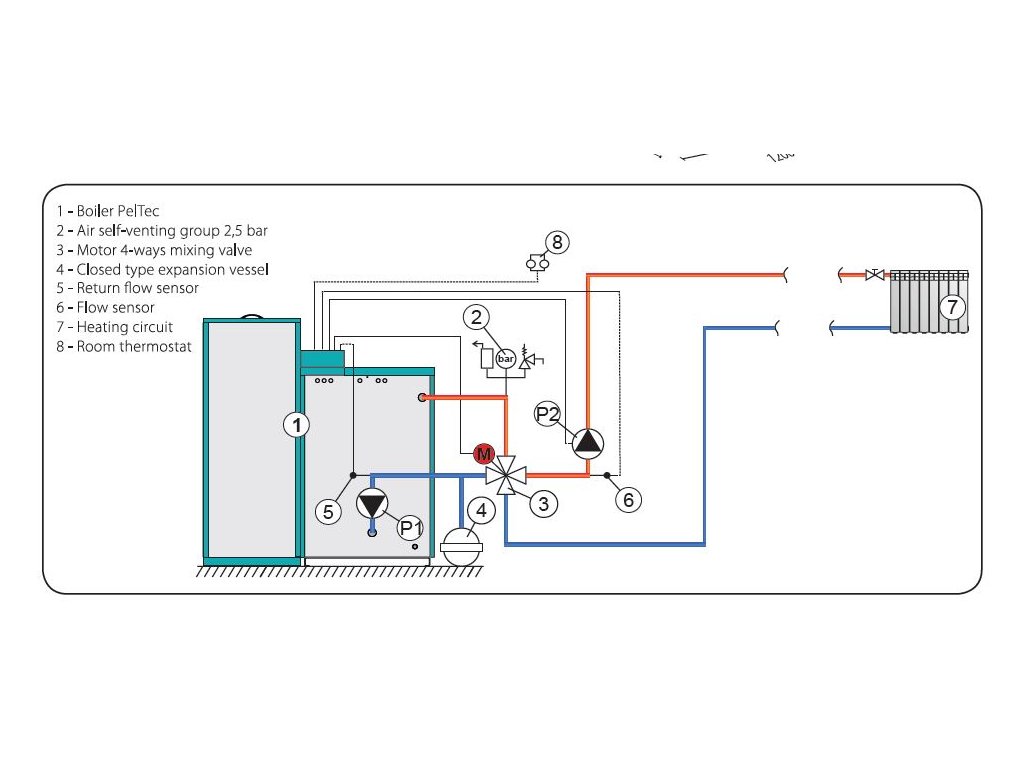
Možnost připojení do topného systému včetně kombinace s podlahovým vytápěním, otopnými tělesy, akumulační nádrží, ohřevu TUV.
Kombinace vytápění peletového kotle Kalor Automatik s jinými zdroji tepla jako např. elektro kotle, plynové kondenzační kotle, krbová kamna, solární panely nebo tepelná čerpadla je možné a jenom zvyšuje komfort vytápění.
Počáteční investice a úspora provozních nákladů
Na první pohled se pořizovací cena automatického peletového kotle Kalor Automatik může zdát vyšší oproti jednodušším kotlům na trhu. Pokud však budeme kalkulovat s vybavením, které je již součástí kotle:
- oběhové čerpadlo
- 4-cestný směšovací ventil
- expanzní nádoba
- automatické čištění teplovodního výměníku
- automatické proroštování spalovací hořáku
- barevný dotykový displej na kterém se graficky zobrazují veškeré činnosti automatického kotle v českém jazyce.
Automatický peletový kotel Kalor Automatik splňuje podmínky pro kotle 5.emisní třídy.
Díky možnosti změny paliva, optimální regulace výkonu, minimálních ztrátách při vytápění topného systému, vysoké účinnosti spalování a minimálních nároků na obsluhu dochází i k velké úspoře provozních nákladů.
Při porovnání s jinými zdroji tepla jako je např. centrální vytápění, plynové kotle, elektro kotle, zdroje na topný olej nebo tepelná čerpadla je garantovaná úspora nákladů až 60%. V porovnání s kotly na tuhá paliva, zplynovací kotle na dřevo, automatické kotle na uhlí a koks je komfort vytápění a dopad spalin na ovzduší nesrovnatelný.
Vše se násobí při vytápění velkých objektů např. bytové domy, školy, komerční a industriální prostory, sportovní haly, skleníky a agro komplexy, hotely, pensiony, rodinné domy atd. Zde je úspora provozních nákladů v řádu desítek tisíc Kč za topnou sezónu, které může majitel investovat do svého dalšího rozvoje.
Tradice, kvalita Kalor Italia
V roce 2014 vyrobil Italský výrobce Kalor více jak 60 000ks peletových zdrojů tepla na biomasu a dřevěné pelety. Patří mezi 3 největší výrobce na světě. Výrobky Kalor jsou distribuovány do celé Evropy.
Výrobky Kalor splňují přísné evropské normy, jsou certifikovány v akreditovaných zkušebnách TÜV Rheinland Německo, VKF AEAI Švýcarsko, BAFA Rakousko, SZÚ Brno atd...
Použité materiály při výrobě peletových kotlů Kalor např. kvalitní litina, žárovzdorná nerezová ocel, kvalitní elektro komponenty předních evropských výrobců zaručují dlouhou a bezproblémovou životnost peletového kotle.
Profesionální instalace zahrnuje spuštění automatického kotle na pelety a biomasu, připojení na topný systém, spalinovou cestu, zaškolení obsluhy i potvrzení záruky.
Zastoupení výrobce Kalor pro Českou Republiku tj. Centrum Vytápění.cz nabízí pravidelné servisní prohlídky při roční údržbě zdroje tepla, záruční i pozáruční servis, dodávku náhraních dílů.
Referenční kotelna s automatickým kotlem Automatik
ZARUČNÍ PODMÍNKY
Uvedení do provozu (instalace, spuštění a zaškolení) musím být provedeno odbornou montážní firmou proškolenou a autorizovanou k této činnosti výrobcem, popř. dodavatelem a to dle platného ceníku, který najdete v Obchodních podmínkách.
Mějte na paměti, že v případě vzniku jakýchkoliv závad v důsledku nesprávné instalace, provozu nebo údržby, dojde ke ztrátě Vašich nároku ze záruky. Pro bližší info volejte na naši infolinku: +420 778 500 111 nebo +420 777 285 001.
Doplňkové parametry
| Kategorie: | Automatické kotle na biomasu |
|---|---|
| Typ paliva: | Dřevěné pelety, alternativní pelety, kukuřice, obilí |
| Celkový výkon: | 48 kW |
| Průměr kouřovodu: | 160 mm |
| Výkon: | 14,4 - 48kW |
| Výrobce: | KALOR |
| Emisní třída: | 5 |
| Napětí: | 220 Volt |
| Objem spalovacího koše: | 2,56 l |
| Odtah spalin: | Spalinový ventilátor |
| Podtlak spalinové cesty: | 0,12 mbar |
| Provozní tlak: | 2,5 Bar |
| Připojení topné vody: | 5/4\'' |
| Rozměry: | (VxŠxH) 1495x1550x1175 mm |
| Rozměry spalovací komory: | 770x385x385 mm |
| Spotřeba energie: | 1100W |
| Teplota spalin: | 120°C |
| Účinnost spalování: | 90,7 - 91,2 % |
| Váha: | 478 kg |
| Vlhkost paliva: | max. 12% |
| Vodní objem kotle: | 115 l |
| Vytápěný prostor: | 350m2 |
| Záruční doba: | 5 let na kotlové těleso |
| Zásobník paliva: | 340 l |
| Objem popelníku: | 80 l |
| Objem spalovací komory: | 114,13 l |
Diskuze
Buďte první, kdo napíše příspěvek k této položce.
Pouze registrovaní uživatelé mohou vkládat příspěvky. Prosím přihlaste se nebo se registrujte.
Kalor je přední italská značka krbových kamen a krbových vložek, která se specializuje na peletové vytápění. Kalor je synonymem kvalitních výrobků za dostupné ceny. U peletových krbových kamen Kalor je kladen důraz na maximální úspory nákladů na vytápění i šetrnost k životnímu prostředí. Vysoká účinnost spalování a úspora nákladů až 70% je garantována testy z renomovaných zkušebních laboratoří. Peletové kotle Kalor pak vedle vysoké účinnosti nabízejí také vysokou autonomii umožňující automatický provoz.
